Welcome Guest Search | Active Topics | Log In | Register

2 Pages 12>
Victory Lighting Options
Garth
#1 Posted : 02 June 2017 10:20:16

Rank: Master

Active Service Medal: 500 post active service MedalTurquoise Medal: Turquoise Medal for model making know-how contributionBuild-Diary Medal: Build-Diary Medal of HonourOutstanding Build: An award for an outstanding build
Groups: Registered

Joined: 29/03/2011
Posts: 1,053
Points: 3,165
Location: Glenvista JHB
I have intended to compile a short article on how I installed the lighting on my HMS Victory once I had completed my build. But recently there have been number of requests on how I went about things.

The reason for a separate thread is to save having to page some 25 pages in my build diary. Some of the images and text are duplicated from my build diary – sorry about that.

I have called my article ‘Victory Lighting’, but the principles will be applicable to virtually any model.

I must say this up front, before I get into things:

I only have a basic knowledge of electronics, I know enough NOT to touch the 220V AC side – and it’s OK to touch the 12V DC side. That being said in jest, be careful when working with electricity.

I’m sure there are many readers with a sound electronic background, please feel free to correct me if I make blatant mistakes (just be gentile) – we’re all here to learn.

In an attempt to structure the tutorial, I have split it up under the following headings:
1. Thoughts on lighting in models
2. Tools & Materials
3. Basic (Really basic) Electronics
4. Ambient Lighting
5. Lanterns
6. Getting the wires in

Below are some images of my Victory in progress showing my attempt at Ambient light (Between decks) and Direct light (Lanterns)
Garth attached the following image(s):
DSC_0017_1.jpg
DSC_0025_1.jpg
DSC_0029_1.jpg
DSC_1736_1.JPG
DSC_1744_2.jpg
DSC_3744_02.jpg
"Measure twice, cut once!!!"
Finished!!! HMS Victory,
Current build: Black Pearl.
On hold: Bismarck, Golden Hind, Flying Scotsman, Victory Cross Section, SOTS, Tiger 1.
Wish list: USS Constitution.
birdaj2
#2 Posted : 02 June 2017 15:47:19

Rank: Super-Elite

Publisher Medal: Featured Build of the MonthActive Service Medal: 500 post active service MedalPurple Medal: Super active service medal for 1000 postsTurquoise Medal: Turquoise Medal for model making know-how contributionBuild-Diary Medal: Build-Diary Medal of HonourRed Medal: Red Medal
Groups: Registered

Joined: 31/05/2010
Posts: 5,679
Points: 17,011
Location: Wiltshire
That looks beautiful. Especially like the lanterns all illumunated.

Happy Modelling

BUILDING: Hachette Spitfire Mk 1A, Constructo Mayflower
SUBSCRIPTION COMPLETE (Awaiting building): USS Constitution, Sovereign of the Seas, 1:200 Bismarck (Hachette)
COMPLETED: Porsche 911, E-Type Jaguar, Lam Countach
davetwin
#3 Posted : 02 June 2017 19:13:44

Rank: Super-Elite
Publisher Medal: Featured Build of the MonthActive Service Medal: 500 post active service MedalPurple Medal: Super active service medal for 1000 postsOutstanding Build: An award for an outstanding buildBuild-Diary Medal: Build-Diary Medal of HonourRed Medal: Red Medal
Groups: Registered

Joined: 27/01/2014
Posts: 5,060
Points: 14,980
You lit up Victory looks fantastic! Drool

I'm sure there are those that will benefit from your experience of doing yours Cool
Gandale
#4 Posted : 02 June 2017 23:16:55

Rank: Super-Elite

Publisher Medal: Featured Build of the MonthActive Service Medal: 500 post active service MedalPurple Medal: Super active service medal for 1000 postsTurquoise Medal: Turquoise Medal for model making know-how contributionOutstanding Build: An award for an outstanding buildBuild-Diary Medal: Build-Diary Medal of HonourRed Medal: Red Medal
Groups: Registered, Global Forum Support, Moderator, Official Builds, Administrators

Joined: 08/09/2012
Posts: 15,172
Points: 46,151
Location: Aberdeen
Fabulous pics of the lighting effect, especially love the pic of the stern... beautiful.....Drool Drool Love Love

Regards

Alan
ian smith
#5 Posted : 03 June 2017 15:02:50

Rank: Super-Elite

Publisher Medal: Featured Build of the MonthActive Service Medal: 500 post active service MedalPurple Medal: Super active service medal for 1000 postsBuild-Diary Medal: Build-Diary Medal of HonourRed Medal: Red Medal
Groups: Registered

Joined: 16/08/2010
Posts: 2,771
Points: 8,344
Location: Brighton
Fantastic work Garth. well done Cool Cool BigGrin
Current builds.Hachettes build the bismark,HMS Victory, HMS Hood.
Finished Builds Corel HMS Victory cross section.
Garth
#6 Posted : 03 June 2017 17:15:12

Rank: Master

Active Service Medal: 500 post active service MedalTurquoise Medal: Turquoise Medal for model making know-how contributionBuild-Diary Medal: Build-Diary Medal of HonourOutstanding Build: An award for an outstanding build
Groups: Registered

Joined: 29/03/2011
Posts: 1,053
Points: 3,165
Location: Glenvista JHB
Hi Guys,
Thank you for looking in and for the interest in the article.
I'll try to get part 1 up asap.
Kind regards,
Garth
"Measure twice, cut once!!!"
Finished!!! HMS Victory,
Current build: Black Pearl.
On hold: Bismarck, Golden Hind, Flying Scotsman, Victory Cross Section, SOTS, Tiger 1.
Wish list: USS Constitution.
Garth
#7 Posted : 05 June 2017 07:56:15

Rank: Master

Active Service Medal: 500 post active service MedalTurquoise Medal: Turquoise Medal for model making know-how contributionBuild-Diary Medal: Build-Diary Medal of HonourOutstanding Build: An award for an outstanding build
Groups: Registered

Joined: 29/03/2011
Posts: 1,053
Points: 3,165
Location: Glenvista JHB
1. Thoughts on lighting in models

In the past, the basic lights available to model builders were small incandescent light bulbs, the types used in torches and automotive dash lights etc. If you wished to use anything smaller, grain of wheat light bulbs was available largely from the Doll House & model railroad fraternity.

Unfortunately, these tiny incandescent light bulbs require periodic maintenance.
LED’s on the other hand, claim to have many thousand-hour lifespan. This is more suitable to my needs as once my ship is closed-up, they will be inaccessible.

Another point about LED’s is that they generate very little heat, which I prefer once closed up in essentially a pile of kindling.

As LED’s have developed over the years, they have become more and more user friendly. The LED strips are essentially plug-and-play. Simply solder the Red wires to the +, the Black wires to the – and then connect to the transformer. The other LED’s are slightly trickier, but more of that later.

LED’s are available in a variety of colours and sizes. They can be defused and colour changed simply using gels or cellophane. Even sweet wrappers will work.

So, for me, the choice is simple – LED’s are the answer to my lighting requirements.

I used a combination of surface mounted LED’s, 1 in each lantern, and LED strips, the type used for under counter lighting for the ambient lighting effects.
"Measure twice, cut once!!!"
Finished!!! HMS Victory,
Current build: Black Pearl.
On hold: Bismarck, Golden Hind, Flying Scotsman, Victory Cross Section, SOTS, Tiger 1.
Wish list: USS Constitution.
Garth
#8 Posted : 13 June 2017 07:23:44

Rank: Master

Active Service Medal: 500 post active service MedalTurquoise Medal: Turquoise Medal for model making know-how contributionBuild-Diary Medal: Build-Diary Medal of HonourOutstanding Build: An award for an outstanding build
Groups: Registered

Joined: 29/03/2011
Posts: 1,053
Points: 3,165
Location: Glenvista JHB
2. Tools & Materials

I think it best to split this topic into two sections, A Tools and B Materials.

Please note that the list below is for the components that I used. There are many other variants that will get the job done just as well.

I suggest that you purchase more components that you think that you will require. Especially if you are new to this. Practice soldering and making connections off the model until you are satisfied that you are up to the task.

A Tools.

Over and above the basic modelling tools, you will require a soldering iron, flux core solder and a pair of side cutters. A small soldering iron with a pointed tip is best.
An inexpensive soldering iron will more than suffice to complete the lighting. The tools will be available from most large hardware stores and even from the electronics shop.

Ø3mm Brad Point wood drill bit, to drill the Main mast for the wires

B Materials.

Power supply – 12V DC transformer. Mine looks like a plug and the voltage can be adjusted from 3V-12V. It’s an off-the-shelf item.

LED strips – The type used for under counter lighting. The LED strips are great because they can be daisy-chained together and connected directly to the 12V power supply. I must have used about 6-10 strips.

Surface Mounted LED’s and resistor (x4, 1 in each lantern) The surface mounted LED’s will require a resistor. They will have to be bought from a shop the sells electronic components. They will suggest the correct resistor value in relation to the power supply.

Wire. Try to purchase red and black wire. Seen as it is the industry standard for + and -. About Ø1.5mm to Ø2mm wire for the basic wiring and I used very thin wire for the lanterns, around Ø0.7mm. (Two strands must fit the brass tube)If this is not available, then I think that armature wire will suffice. I intend using this in my Pearls lanterns as I have run out of the Ø0.7mm. This should also be available from the electronics shop.

Ø2mm Brass Tube. To replace the lantern mountings.

Ø3mm brass tube, to extend the drill bit.

Ø20mm x 100mm Grey PVC, to manufacture a drilling guide.


Vero board. (Also called Strip Board) I used a small piece of Vera board to mount my resistors, this I not absolutely necessary – it just neatens things up a bit. it will also be available from the electronics shop. I will post a pic of mine with the lantern uploads.
Garth attached the following image(s):
DSC_3962_02.jpg
DSC_1912_02.jpg
DSC_1914_02.jpg
"Measure twice, cut once!!!"
Finished!!! HMS Victory,
Current build: Black Pearl.
On hold: Bismarck, Golden Hind, Flying Scotsman, Victory Cross Section, SOTS, Tiger 1.
Wish list: USS Constitution.
Garth
#9 Posted : 20 June 2017 07:21:53

Rank: Master

Active Service Medal: 500 post active service MedalTurquoise Medal: Turquoise Medal for model making know-how contributionBuild-Diary Medal: Build-Diary Medal of HonourOutstanding Build: An award for an outstanding build
Groups: Registered

Joined: 29/03/2011
Posts: 1,053
Points: 3,165
Location: Glenvista JHB
3. Basic (Really basic) Electronics

As I mentioned earlier, I am no electronics Guru, in fact I am an electronics ‘hack’. I know just enough to get by. Therefore, this is not an electronics tutorial. Basic electronics is a hobby in its own right, and should you be interested; a web search will provide all the info required.

Thanks to Mr T for providing me with a link to an excellent article on LED’s. This discusses the theory around LED’s and is an excellent starting point.

The copy right belongs to Written by Gary Roberts for Model Ship world (www.modelshipworld.com).

http://modelshipworldfor...odel_ships%20anodes.pdf

Please be mindful that my article only describes the materials and methods that I used in my lighting process. There are many other materials and configurations that will work just as well. Perhaps 3mm, or even 5mm LED’s will work in the lanterns?

If you have any uncertainty with the components, I found the staff at the electronics shop very helpful, they did all the calculations and gave me the components that I required. All that I had to do was assemble them.

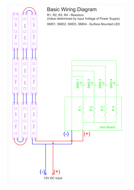
My Circuit

I drilled a small hole in the keel for the wires. I intend to hide this in the stand. The power supply will be below the stand. I’m still not completely sure how I’m going to do this. (that is the reason for leaving that topic until the end of the article)

Once in, I split the wires, one direction going to the LED strips and the other to the SMD PC board.

Connecting the LED strips is fairly easy. Solder the Red wires to the (+) and Black wires to the (-). If you accidentally swap the polarity, the LED will fail to light up – simply reverse the wires and it should work.

The PC board is a little more complicated, but I will upload some pics when I deal with the lanterns. That should make it easier to understand.

I have included a basic schematic diagram of my lighting system (hopefully it explains what I have attempted to convey in the text)

Soldering

Tinning. If you battle to make a proper solder joint, try the tinning method. Essentially a small amount of solder is applied, individually, to the two items to be joined together. This is called ‘tinning’. The two items are then held in contact with each other and a small amount of heat is introduced, by the tip of the soldering iron. When the heat melts the solder, remove the tip and the parts will be joined. Not all components require tinning. Do some tests off the job.

Tips

Keep the tip of the soldering iron clean and free of excess solder. Periodically wipe it off on the sponge, or a damp cloth.

Ensure that the soldering iron has reached operating temperature. Touch a piece of solder to the tip – it should melt instantly.

Do NOT inhale the vapours that are generated by the soldering process.

Practice on surplus components until you are happy with your technique.
Periodically test your circuit to ensure that everything works. If one LED or LED strip does not light up – check the polarity and then the solder joints.
Garth attached the following image(s):
Wiring Diagram 1.0_02.jpg
"Measure twice, cut once!!!"
Finished!!! HMS Victory,
Current build: Black Pearl.
On hold: Bismarck, Golden Hind, Flying Scotsman, Victory Cross Section, SOTS, Tiger 1.
Wish list: USS Constitution.
Dowlking
#10 Posted : 21 June 2017 03:12:15

Rank: Beginner Level 3
Build-Diary Medal: Build-Diary Medal of Honour
Groups: Registered

Joined: 29/03/2017
Posts: 21
Points: 66
Location: Wicklow, Ireland
All really useful thanks
Garth
#11 Posted : 21 June 2017 06:34:55

Rank: Master

Active Service Medal: 500 post active service MedalTurquoise Medal: Turquoise Medal for model making know-how contributionBuild-Diary Medal: Build-Diary Medal of HonourOutstanding Build: An award for an outstanding build
Groups: Registered

Joined: 29/03/2011
Posts: 1,053
Points: 3,165
Location: Glenvista JHB
Hi Brian,
Thanks for looking in.
Kind regards,
Garth
"Measure twice, cut once!!!"
Finished!!! HMS Victory,
Current build: Black Pearl.
On hold: Bismarck, Golden Hind, Flying Scotsman, Victory Cross Section, SOTS, Tiger 1.
Wish list: USS Constitution.
Garth
#12 Posted : 21 June 2017 13:46:44

Rank: Master

Active Service Medal: 500 post active service MedalTurquoise Medal: Turquoise Medal for model making know-how contributionBuild-Diary Medal: Build-Diary Medal of HonourOutstanding Build: An award for an outstanding build
Groups: Registered

Joined: 29/03/2011
Posts: 1,053
Points: 3,165
Location: Glenvista JHB
4. Ambient Lighting

My intention here is to have a soft light that will visible through all the openings, i.e. gun ports, doorways, gratings and openings in the desks. The second part is to provide a glow through the Stern gallery and the Officers’ cabin windows. To accomplish this, I used the LED strips.

I fitted the LED strips on the bow and stern ribs facing inwards towards each other between the Lower and Upper Gun decks. I positioned a couple in the stern to illuminate the gallery. Unfortunately, I do not recall the exact positioning – I basically made it up as I went along.

I made a basic light box out of styrene to prevent the light bleeding through the decks.

Please note, I only had green wire when I started this, but I did mark the ends of the Negative wires with a black marking pen. Not ideal, I would suggest rather using red and black wires.

No rocket science here, this part was pretty easy.
Garth attached the following image(s):
DSC_0553-02.jpg
DSC_0554-02.jpg
DSC_0556-02.jpg
DSC_0557-02.jpg
"Measure twice, cut once!!!"
Finished!!! HMS Victory,
Current build: Black Pearl.
On hold: Bismarck, Golden Hind, Flying Scotsman, Victory Cross Section, SOTS, Tiger 1.
Wish list: USS Constitution.
Garth
#13 Posted : 05 July 2017 07:38:10

Rank: Master

Active Service Medal: 500 post active service MedalTurquoise Medal: Turquoise Medal for model making know-how contributionBuild-Diary Medal: Build-Diary Medal of HonourOutstanding Build: An award for an outstanding build
Groups: Registered

Joined: 29/03/2011
Posts: 1,053
Points: 3,165
Location: Glenvista JHB
5. Lanterns

5.1 Wiring the Main Mast
5.2 Modifying the Lantern
5.3 Electronics & Assembly

5.1 I think that the most difficult part of this exercise was getting the wires up the Main Mast.

First prize would be to cut a groove in a portion of the fore end of the main mast dowel before the bindings have been added. The groove will be covered later by the Rubbing Paunch. This will have to be planned for well ahead of time.

If, like me, your mast is complete, another method will have to be used.

I think the easiest method is to cut a slot cut into the Rubbing Paunch (the 5x2mm strip on the front of the mast)

Either way, some drilling is going to be required. A Ø3mm hole will have to be drilled up the centre of the mast slightly past the Rubbing Paunch. (±150mm)

As I was unable to purchase an extra length drill bit, I made my own. I silver soldered a piece of Ø3mm brass tube to a Ø3mm Brad Point wood drill bit. I decided to use the Brad Point wood drill bit as it has self-cantering tip.

My next concern was how to keep the drill aligned. I made a drilling guide out of Ø20mm x 100mm Grey PVC. Fortunately, it fits into the chuck of my lathe. I drilled a Ø10mm hole about 50mm deep on one end and a Ø3mm hole on the other.

Theoretically this should start the drill bit perfectly centred and keep it going all the way up the mast.

I used a hand drill to do the drilling and periodically removed it in order to expel the wood shavings.

Once the holes were drilled, I fed fishing line through from the top and pulled the wires through.

My confession.Blushing Blushing Blushing

I opted for the most difficult method, drilling the mast up to the fighting top. I followed my instructions to the tee. Made the drilling jig, drilled slowly, removed the shavings regularly, and fortunately, the drill broke through the mast just under the fighting top - exactly where I intended to run the wires!!!BigGrin BigGrin BigGrin

Well, after patting myself on the back and congratulating myself on a job well done - horror of all horrors, I had just bored a hole through the fore mast!!!Crying
Fortunately, the fore and main mast are the same diameter, I repeated the boring but the drill did not stay true. It broke through the mast about half way up. All is not lost though, I carefully removed the rubbing paunch, and cut a grove to hide the wires. I filled the holes in the mast and re stained them. The surgery is evident when looking close-up, but once all is completed, there is so much going on with the rigging and sails, it won't be noticed.

All’s well that ends well, that was 3 years ago and completely forgotten.
Garth attached the following image(s):
DSC_1409_02.jpg
DSC_1408_02.jpg
DSC_1413_02.jpg
DSC_1412_02.jpg
Drilling Guide_01.jpg
Option 1&2_01.jpg
Option 1 a_01.jpg
Option 1 b_01.jpg
Option 1 c_01.jpg
Option 2 a_01.jpg
Option 2 b_01.jpg
Option 2 c_01.jpg
"Measure twice, cut once!!!"
Finished!!! HMS Victory,
Current build: Black Pearl.
On hold: Bismarck, Golden Hind, Flying Scotsman, Victory Cross Section, SOTS, Tiger 1.
Wish list: USS Constitution.
Gandale
#14 Posted : 05 July 2017 09:22:54

Rank: Super-Elite

Publisher Medal: Featured Build of the MonthActive Service Medal: 500 post active service MedalPurple Medal: Super active service medal for 1000 postsTurquoise Medal: Turquoise Medal for model making know-how contributionOutstanding Build: An award for an outstanding buildBuild-Diary Medal: Build-Diary Medal of HonourRed Medal: Red Medal
Groups: Registered, Global Forum Support, Moderator, Official Builds, Administrators

Joined: 08/09/2012
Posts: 15,172
Points: 46,151
Location: Aberdeen
Very impressive and skilled piece of work Garth, great credit to you.....Drool Drool

Regards

Alan
Garth
#15 Posted : 05 July 2017 14:04:10

Rank: Master

Active Service Medal: 500 post active service MedalTurquoise Medal: Turquoise Medal for model making know-how contributionBuild-Diary Medal: Build-Diary Medal of HonourOutstanding Build: An award for an outstanding build
Groups: Registered

Joined: 29/03/2011
Posts: 1,053
Points: 3,165
Location: Glenvista JHB
Hi Alan,
Thank you for looking in and for the kind words.
Regards,
Garth
"Measure twice, cut once!!!"
Finished!!! HMS Victory,
Current build: Black Pearl.
On hold: Bismarck, Golden Hind, Flying Scotsman, Victory Cross Section, SOTS, Tiger 1.
Wish list: USS Constitution.
Dowlking
#16 Posted : 06 July 2017 02:00:19

Rank: Beginner Level 3
Build-Diary Medal: Build-Diary Medal of Honour
Groups: Registered

Joined: 29/03/2017
Posts: 21
Points: 66
Location: Wicklow, Ireland
Brilliant Garth. Those diagrams are proving very useful, thank you!

Brian
Garth
#17 Posted : 06 July 2017 07:03:25

Rank: Master

Active Service Medal: 500 post active service MedalTurquoise Medal: Turquoise Medal for model making know-how contributionBuild-Diary Medal: Build-Diary Medal of HonourOutstanding Build: An award for an outstanding build
Groups: Registered

Joined: 29/03/2011
Posts: 1,053
Points: 3,165
Location: Glenvista JHB
Hi Brian,
Thank you for looking in and for your comments. We're finally getting to the interesting bits. I'll try to complete No 5 in the next week or two.
Kind regards,
Garth
"Measure twice, cut once!!!"
Finished!!! HMS Victory,
Current build: Black Pearl.
On hold: Bismarck, Golden Hind, Flying Scotsman, Victory Cross Section, SOTS, Tiger 1.
Wish list: USS Constitution.
davetwin
#18 Posted : 06 July 2017 15:49:16

Rank: Super-Elite
Publisher Medal: Featured Build of the MonthActive Service Medal: 500 post active service MedalPurple Medal: Super active service medal for 1000 postsOutstanding Build: An award for an outstanding buildBuild-Diary Medal: Build-Diary Medal of HonourRed Medal: Red Medal
Groups: Registered

Joined: 27/01/2014
Posts: 5,060
Points: 14,980
Very impressive work Blink Blink

Looking forward to seeing the finished result Cool
Garth
#19 Posted : 11 July 2017 15:10:34

Rank: Master

Active Service Medal: 500 post active service MedalTurquoise Medal: Turquoise Medal for model making know-how contributionBuild-Diary Medal: Build-Diary Medal of HonourOutstanding Build: An award for an outstanding build
Groups: Registered

Joined: 29/03/2011
Posts: 1,053
Points: 3,165
Location: Glenvista JHB
Hi Dave,
Thanks for looking in.
Kind regards,
Garth
"Measure twice, cut once!!!"
Finished!!! HMS Victory,
Current build: Black Pearl.
On hold: Bismarck, Golden Hind, Flying Scotsman, Victory Cross Section, SOTS, Tiger 1.
Wish list: USS Constitution.
Garth
#20 Posted : 11 July 2017 15:25:19

Rank: Master

Active Service Medal: 500 post active service MedalTurquoise Medal: Turquoise Medal for model making know-how contributionBuild-Diary Medal: Build-Diary Medal of HonourOutstanding Build: An award for an outstanding build
Groups: Registered

Joined: 29/03/2011
Posts: 1,053
Points: 3,165
Location: Glenvista JHB
5.2 Modifying the Lantern

As the lanterns stem is solid, it will have to be replaced with a tube the enable access for the wires. The lanterns measured Ø1.5mm, but I was unable to find that size brass tube.

Fortunate I was able to purchase a Ø2mm Brass Tube with an ID suitable for the wires.

To start, cut the tube to length using the lanterns stems as a guide. I used my craft knife to cut them by rolling the tube across the bench, scoring the brass and then snapping it.

The brass tubes require annealing before bending them. I used a plumber’s torch, but I am sure a candle will work as well. Heat the brass until it changes colour. Be careful not to melt it.

Gently bend them around a suitable radius. The guide on my vice worked a treat.
Compare the new tubes radii with the existing and adjust accordingly.

Cut the stem off the base of the lantern and file it flat. Lightly punch a drilling mark with a centre punch and drill a Ø2mm hole through the lanterns base. The centre punch is to prevent the drill from wondering. i.e. keeping it on line.

Glue the new stems in place with epoxy or superglue. Let them protrude slightly as this makes for a mounting for the LED.
Garth attached the following image(s):
DSC_1419_02.jpg
DSC_1423_02.jpg
DSC_1424_02.jpg
DSC_1427_02.jpg
DSC_1428_02.jpg
DSC_1429_02.jpg
"Measure twice, cut once!!!"
Finished!!! HMS Victory,
Current build: Black Pearl.
On hold: Bismarck, Golden Hind, Flying Scotsman, Victory Cross Section, SOTS, Tiger 1.
Wish list: USS Constitution.
Users browsing this topic
Guest
2 Pages 12>
Forum Jump  
You cannot post new topics in this forum.
You cannot reply to topics in this forum.
You cannot delete your posts in this forum.
You cannot edit your posts in this forum.
You cannot create polls in this forum.
You cannot vote in polls in this forum.

Powered by YAF | YAF © 2003-2009, Yet Another Forum.NET
This page was generated in 0.368 seconds.