Welcome Guest Search | Active Topics | Log In | Register

2 Pages <12
Pack 30 and a very odd 'cooling fan' Options
Tomick
#21 Posted : 30 November 2017 18:29:03

Rank: Pro

Groups:

Joined: 24/08/2009
Posts: 48,827
Points: -13,348
Get him to pop the bonnet for a pic of the fan blade Cool
roymattblack
#22 Posted : 30 November 2017 19:01:48

Rank: Super-Elite

Publisher Medal: Featured Build of the MonthActive Service Medal: 500 post active service MedalPurple Medal: Super active service medal for 1000 postsOutstanding Build: An award for an outstanding buildBuild-Diary Medal: Build-Diary Medal of HonourRed Medal: Red Medal
Groups: Official Builds, Administrators, Moderator, Global Forum Support, Registered

Joined: 04/06/2011
Posts: 5,192
Points: 15,725
Location: ipswich
I have around 200 pics of the car but annoyingly, the fan blade isn't clear - even in rad closeups.
I'll ask if he can get me any better pics.

Roy.

roymattblack attached the following image(s):
DSC02638.jpg
DSC02637.jpg
Drifter753
#23 Posted : 30 November 2017 20:09:23

Rank: Beginner Level 1

Groups: Registered

Joined: 29/11/2017
Posts: 7
Points: 21
Location: Ipswich, UK
roymattblack wrote:
Mr Drifter...

...
I honestly mean no disrespect, but if the model was 2cm too long, or too short, or if the doors were the wrong shape, or it had the wrong carbs on the engine, then I think most would agree.
But to complain that the fan blades aren't flat ended, or the pitch angle isn't correct on each side - it does seem a bit minor.


Well Roy, if I had complained "that the fan blades aren't flat ended, or the pitch angle isn't correct on each side" you would be absolutely right.

Perhaps you might re-read my original post. I can live with the shape of the blades and the pitch being innacurate, but having one of the blades of the fan upside-down (or back-to-front, I don't know which) is akin to having a door the wrong shape...

Is it too much to ask, that a fan looks like a fan, and not a pair of aircraft wings?

https://www.mathsisfun.c...symmetry-rotational.html
Spal
#24 Posted : 30 November 2017 21:14:12

Rank: Super-Elite

Publisher Medal: Featured Build of the MonthActive Service Medal: 500 post active service MedalPurple Medal: Super active service medal for 1000 postsBuild-Diary Medal: Build-Diary Medal of HonourRed Medal: Red Medal
Groups: Registered

Joined: 19/06/2013
Posts: 4,588
Points: 13,553
Location: West Yorkshire
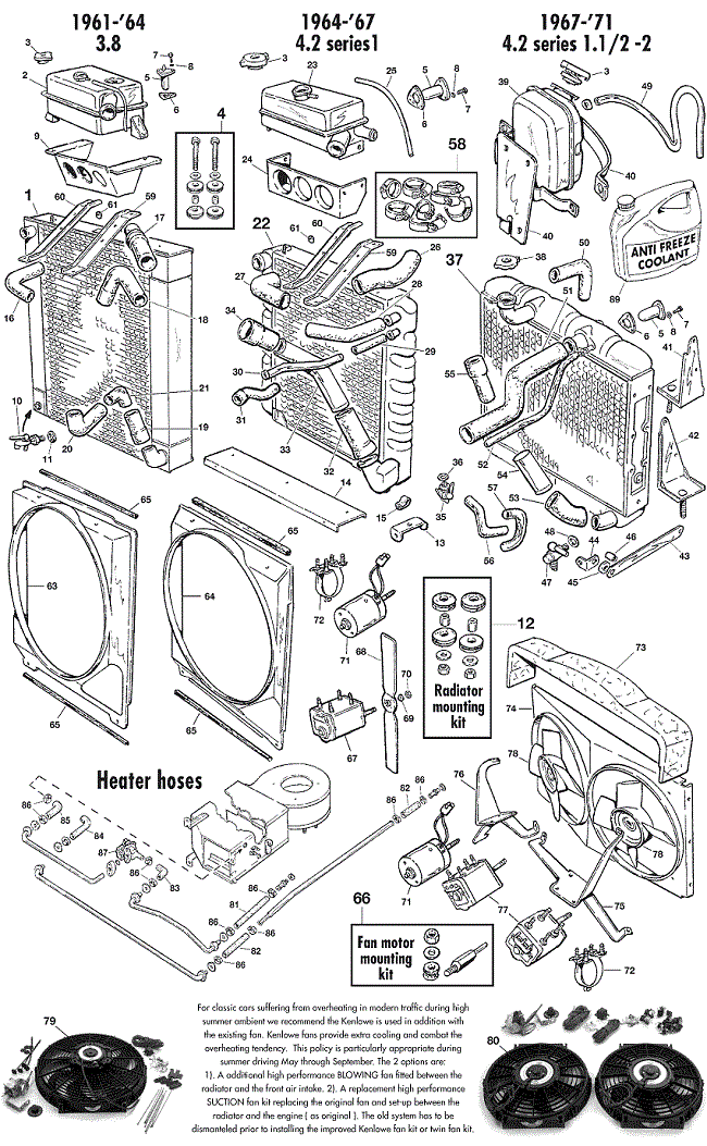
You could always make the fan blade from plasticard which can be gently heated and twisted to produce the offset angle if your really not happy.

 I found this drawing regarding of Jaguar fans.

Al
Spal attached the following image(s):
E-TYPE024.gif
Drifter753
#25 Posted : 01 December 2017 00:55:53

Rank: Beginner Level 1

Groups: Registered

Joined: 29/11/2017
Posts: 7
Points: 21
Location: Ipswich, UK
Spal wrote:
You could always make the fan blade from plasticard which can be gently heated and twisted to produce the offset angle if your really not happy.

 I found this drawing regarding of Jaguar fans.

Al


Thanks Al, that would have been my solution if DeAg had not sent me another dodgy fan; Have a look at my post #13...
JG
#26 Posted : 03 December 2017 00:00:15

Rank: Beginner Level 2
Build-Diary Medal: Build-Diary Medal of Honour
Groups: Registered

Joined: 11/06/2017
Posts: 17
Points: 54
Location: UK
By the standards of the 1960s cars I have owned or worked on that real E Type cooling fan looks pretty flimsy and has a very shallow pitch. I assume that is because its driven by an electric motor not by the engine. The model part is not a million miles away from the real thing.
Most cars of the period had an engine driven fan designed to provide sufficient cooling when the car is stationary with the engine idling.When traveling at speed, the fan is rotating at high speed, sapping power from the engine for no useful purpose as airflow is sufficient even without a fan. Enter the self feathering fans and electric fans. In the late 60s I used to tune and race minis, a significant increase in power could be obtained by throwing away the 18 bladed fan and replacing it with a 2 bladed fan which was available from "Special Tuning". I explained this mod to a fellow racer, with the caveat that he must buy a 2 bladed fan for a mini from "Special Tuning" and not use a Morris Minor 2 bladed fan. Needless to say he saved himself a few pennies by getting a Morris Minor fan from a scrap yard. It took him the rest of the season to figure out why his car overheated.
(The 2 fans have opposite pitch, the mini pushes air out through the wheel arch, the Minor pulls it in through the front grill)
roymattblack
#27 Posted : 03 December 2017 10:33:14

Rank: Super-Elite

Publisher Medal: Featured Build of the MonthActive Service Medal: 500 post active service MedalPurple Medal: Super active service medal for 1000 postsOutstanding Build: An award for an outstanding buildBuild-Diary Medal: Build-Diary Medal of HonourRed Medal: Red Medal
Groups: Official Builds, Administrators, Moderator, Global Forum Support, Registered

Joined: 04/06/2011
Posts: 5,192
Points: 15,725
Location: ipswich
Overall in the E Type's history, the series 1 cooling fan has come in for a lot of stick but for most drivers it was never a problem and numerous original and restored cars still have the same 'Flymo' blade.

It was only really a problem for those who just drove the cars for short hops in towns and cities, particularly on hot days.

If the rad was flushed and refilled at service intervals, the problem was rare.
Generally though, the coolant wasn't flushed until there was an overheating problem. Being an iron block, the waterways soon filled with sludge.
A properly maintained car was pretty much fine.
Tomick
#28 Posted : 04 December 2017 12:20:27

Rank: Pro

Groups:

Joined: 24/08/2009
Posts: 48,827
Points: -13,348
JG wrote:
By the standards of the 1960s cars I have owned or worked on that real E Type cooling fan looks pretty flimsy and has a very shallow pitch. I assume that is because its driven by an electric motor not by the engine. The model part is not a million miles away from the real thing.
Indeed, the cooling fan was driven by an electric motor as can be seen in the photo below..
Tomick attached the following image(s):
1446255543_068238765_1_20.jpg
Users browsing this topic
Guest
2 Pages <12
Forum Jump  
You cannot post new topics in this forum.
You cannot reply to topics in this forum.
You cannot delete your posts in this forum.
You cannot edit your posts in this forum.
You cannot create polls in this forum.
You cannot vote in polls in this forum.

Powered by YAF | YAF © 2003-2009, Yet Another Forum.NET
This page was generated in 0.302 seconds.